10% OFF on Transfer Cases. Use
TRANSFER10
at checkout.
Shop Now
10% OFF on Transfer Cases. Use
TRANSFER10
at checkout.
Shop Now
10% OFF on Transfer Cases. Use
TRANSFER10
at checkout.
Shop Now
Request a Catalog
Sign In / Join
Toggle menu
All
Models
Clear Selection
41-45 GPW
66-73 Jeepster Commando
41-45 MB
46-49 CJ-2A
46-64 Station Wagon
46-64 Truck
48-51 Jeepster
49-53 CJ-3A
50-52 M38
52-71 M38A1
53-64 CJ-3B
55-75 CJ-5
55-75 CJ-6
57-64 FC-150
57-64 FC-170
76-83 CJ-5
76-86 CJ-7
81-85 CJ-8
63-91 Wagoneer/J-Series
Search
Toll Free
1 (888) 648-4923
Wish Lists
0
Shop part categories
Shop All Categories
Shop All Categories
Featured Videos
New & Featured
US MADE & NOS
Axle
Axle
Axle
Shop All
Front Axle
Rear Axle
Battery
Body
Body
Body
Shop All
Door Repair
Exterior Accessories & Parts
Fender
Frame Repair
Grille
Hood
Interior Accessories & Parts
Repair Panels
Step Kits
Tailgate
Tool Bin & Parts
Trailer & Pickup Bed Parts
Tubs & Kits
Windshield Frame
Brakes
Brakes
Brakes
Shop All
Adjusting Hardware
Cables
Disc Conversion
Drums
Emergency Brakes
Fittings & Crush Washers
Flex Hoses
Hold Down Hardware
Hub Puller
Hubs
Linkage
Master Cylinders & Parts
Overhaul Kits
Preformed Steel Lines
Return Springs
Shoes
Wheel Cylinders
72-86 CJ Disc Brakes & Parts
Bumpers, Crossmembers & Parts
Bumpers, Crossmembers & Parts
Bumpers, Crossmembers & Parts
Shop All
Front Bumper Accessories
Front Bumpers & Gussets
Rear Bumper & Crossmembers
Rear Bumper Accessories
Canvas
Canvas
Canvas
Shop All
Bestop Tops
Canvas Accessories
Canvas Summer Top
Seat Covers & Cushions
Top Bow Brackets, Straps & Kits
Clutch
Clutch
Clutch
Shop All
Bearings & Carriers
Bellcrank & Linkage Parts
Cables
Forks
Friction Discs
Master Clutch Kits
Pilot Bushings
Pressure Plates
Cooling
Cooling
Cooling
Shop All
Air Duct
Fan Belts
Fan Blade
Radiators & Hoses
Thermostats & Parts
Water Pumps
Decals, Stencils & Data Plates
Decals, Stencils & Data Plates
Decals, Stencils & Data Plates
Shop All
Data Plates
Decals
Stencils
Driveshaft
Driveshaft
Driveshaft
Shop All
Driveshaft Assemblies
Joints & Yokes
Electrical
Electrical
Electrical
Shop All
Alternator
Bulbs
Cables & Straps
Dash Light Assemblies
Distributors
Generators
Headlights & Parts
Horn Repair Parts
Ignition Coils
Parking Light Assemblies & Parts
Side Marker & Parts
Spark Plugs & Cable Sets
Starter Motors & Parts
Switches, Relays & Solenoids
Tail Light Assemblies & Parts
Tune-Up Kits
Turn Signal
Voltage Regulators
Wiring Harnesses
Engine
Engine
Engine
Shop All
Bearings
Camshafts & Parts
Complete Overhaul Kits
Connecting Rods & Hardware
Crankshafts & Parts
Flywheels, Ring Gears & Parts
Gasket Sets & Oil Seals
Insulators & Motor Mounts
Oil Hoses, Filters & Parts
Oil Pumps
Pistons & Ring Sets
Stud Kits
Timing
Valve Train
Exhaust
Exhaust
Exhaust
Shop All
Complete Exhaust Systems
Manifolds & Parts
Mufflers
Pipes and Parts
Fuel
Fuel
Fuel
Shop All
Accelerator Pedals & Parts
Air Cleaner Assemblies & Parts
Cables & Hoses
Carburetors & Kits
Fuel Pumps & Filters
Gas Caps & Parts
Jerry Can
Preformed Steel Lines
Rubber Items
Sending Units
Tanks
Gauges & Parts
Gauges & Parts
Gauges & Parts
Shop All
Amp Gauges
Fuel Gauges & Sending Units
Oil Gauges
Speedometers & Parts
Temperature Gauges
Gift Certificates
Gift Ideas
Gift Ideas
Gift Ideas
Shop All
Apparel
Artwork
Gifts
Jeep & Willys License Plates
Neons, Clocks & Wall Signs
Specialty Books
Glass
Hardware Kits
Hardware Kits
Hardware Kits
Shop All
Axle
Body
Brakes
Electrical
Engine
Interior
Steering
Suspension
Transfer Case
Transmission
Heater
Interior
Interior
Interior
Shop All
Carpeting, Headliner & Misc
Center Consoles
Door Handles, Hinges & Accessories
Floor Mats
Glove Box
Interior Accessories
Interior Chrome Parts
Literature
Literature
Literature
Shop All
Master Parts Listings
Mechanics Manuals
Owners Manuals
Vintage Ads & Specialty Books
Lubricants & Sealants
Mirrors
Overdrive
Overhaul Kits
Overhaul Kits
Overhaul Kits
Shop All
Axle Overhaul Kits
Brake Overhaul Kits
Complete Body Tubs and Kits
Electrical Overhaul Kits
Engine Overhaul Kits
Suspension Overhaul Kits
Transfer Case Overhaul Kits
Transmission Overhaul Kits
Weatherseal Kits
Paint
Paint
Paint
Shop All
Civilian Paint
Military Paint
Seats
Seats
Seats
Shop All
72-86 CJ Seat Frames
Covers & Cushions
Misc Seat Parts
Seat Frames
Steering
Steering
Steering
Shop All
Bellcranks & Parts
Drag Link Repair
Power Steering
Steering Gear Box Repair
Steering Wheels & Parts
Tie Rods & Steering Knuckle
Soft Tops & Parts
Soft Tops & Parts
Soft Tops & Parts
Shop All
BikiniTops
SuperTops
TigerTops
Top Parts and Brackets
Suspension
Suspension
Suspension
Shop All
Control Arm Repair
Leaf Spring Assemblies
Lift Kits
Overhaul Kits
Pivot Eye Bolts & Bushings
Shackles & Parts
Shocks
U-Bolts & Shock Plates
Tires & Rims
Tires & Rims
Tires & Rims
Shop All
Rims & Hub Caps
Spare Tire Carriers
Tires
Tools
Transfer Case
Transfer Case
Transfer Case
Shop All
Bearings & Shims
Gaskets & Oil Seals
Gears & Small Parts
Overhaul Kits
Shifter Boots & Mounts
Transmission
Transmission
Transmission
Shop All
Overhaul Kits
T-84 Transmission
T-90 Transmission
T-96 Transmission
T86 Transmission
P.T.O.
T4 4 Speed Transmission
T5 5 Speed Transmission
T14 Transmission
T15 3 Speed Transmission
T18 4 Speed Transmission
SR4 4 Speed Transmission
T176/T177 4 Speed Transmission
T-70 Transmission
T150 3 Speed Transmission
T85 Transmission
T89 Transmission
Weatherseals
Weatherseals
Weatherseals
Shop All
Draft Seal Kits
Fuzzy Channel Kits
Hood & Grille
Misc Seals & Gaskets
Rear Cab
Side Window & Door
Tailgate / Liftgate / Hardtop
Weatherseal Kits
Wind Wing
Windshield
Wipers & Parts
Wipers & Parts
Wipers & Parts
Shop All
Arms & Blades
Electric Conversion Kits
Linkage & Cables
Original Vacuum
Wiper Accessories
Sign In / Join
Request a Catalog
Customer Service
Shop By Diagram
Tech Guides
Customer Service
Free Catalog
Newsletter Signup
Home
Diagrams
46-49 CJ-2A Diagrams
Axle Diagrams - Willys CJ-2A
Filters
Fit on Vehicle
Select Vehicle
Clear Selection
41-45 GPW
(0)
66-73 Jeepster Commando
(0)
41-45 MB
(0)
46-49 CJ-2A
(0)
46-64 Station Wagon
(0)
46-64 Truck
(0)
48-51 Jeepster
(0)
49-53 CJ-3A
(0)
50-52 M38
(0)
52-71 M38A1
(0)
53-64 CJ-3B
(0)
55-75 CJ-5
(0)
55-75 CJ-6
(0)
57-64 FC-150
(0)
57-64 FC-170
(0)
76-83 CJ-5
(0)
76-86 CJ-7
(0)
81-85 CJ-8
(0)
63-91 Wagoneer/J-Series
(0)
Parts
Axle Diagrams - Willys CJ-2A
Featured Videos
New & Featured
US MADE & NOS
Axle
Front Axle
Rear Axle
Battery
Body
Door Repair
Exterior Accessories & Parts
Fender
Frame Repair
Grille
Hood
Interior Accessories & Parts
Repair Panels
Step Kits
Tailgate
Tool Bin & Parts
Trailer & Pickup Bed Parts
Tubs & Kits
Windshield Frame
Brakes
Adjusting Hardware
Cables
Disc Conversion
Drums
Emergency Brakes
Fittings & Crush Washers
Flex Hoses
Hold Down Hardware
Hub Puller
Hubs
Linkage
Master Cylinders & Parts
Overhaul Kits
Preformed Steel Lines
Return Springs
Shoes
Wheel Cylinders
72-86 CJ Disc Brakes & Parts
Bumpers, Crossmembers & Parts
Front Bumper Accessories
Front Bumpers & Gussets
Rear Bumper & Crossmembers
Rear Bumper Accessories
Canvas
Bestop Tops
Canvas Accessories
Canvas Summer Top
Seat Covers & Cushions
Top Bow Brackets, Straps & Kits
Clutch
Bearings & Carriers
Bellcrank & Linkage Parts
Cables
Forks
Friction Discs
Master Clutch Kits
Pilot Bushings
Pressure Plates
Cooling
Air Duct
Fan Belts
Fan Blade
Radiators & Hoses
Thermostats & Parts
Water Pumps
Decals, Stencils & Data Plates
Data Plates
Decals
Stencils
Driveshaft
Driveshaft Assemblies
Joints & Yokes
Electrical
Alternator
Bulbs
Cables & Straps
Dash Light Assemblies
Distributors
Generators
Headlights & Parts
Horn Repair Parts
Ignition Coils
Parking Light Assemblies & Parts
Side Marker & Parts
Spark Plugs & Cable Sets
Starter Motors & Parts
Switches, Relays & Solenoids
Tail Light Assemblies & Parts
Tune-Up Kits
Turn Signal
Voltage Regulators
Wiring Harnesses
Engine
Bearings
Camshafts & Parts
Complete Overhaul Kits
Connecting Rods & Hardware
Crankshafts & Parts
Flywheels, Ring Gears & Parts
Gasket Sets & Oil Seals
Insulators & Motor Mounts
Oil Hoses, Filters & Parts
Oil Pumps
Pistons & Ring Sets
Stud Kits
Timing
Valve Train
Exhaust
Complete Exhaust Systems
Manifolds & Parts
Mufflers
Pipes and Parts
Fuel
Accelerator Pedals & Parts
Air Cleaner Assemblies & Parts
Cables & Hoses
Carburetors & Kits
Fuel Pumps & Filters
Gas Caps & Parts
Jerry Can
Preformed Steel Lines
Rubber Items
Sending Units
Tanks
Gauges & Parts
Amp Gauges
Fuel Gauges & Sending Units
Oil Gauges
Speedometers & Parts
Temperature Gauges
Gift Certificates
Gift Ideas
Apparel
Artwork
Gifts
Jeep & Willys License Plates
Neons, Clocks & Wall Signs
Specialty Books
Glass
Hardware Kits
Axle
Body
Brakes
Electrical
Engine
Interior
Steering
Suspension
Transfer Case
Transmission
Heater
Interior
Carpeting, Headliner & Misc
Center Consoles
Door Handles, Hinges & Accessories
Floor Mats
Glove Box
Interior Accessories
Interior Chrome Parts
Literature
Master Parts Listings
Mechanics Manuals
Owners Manuals
Vintage Ads & Specialty Books
Lubricants & Sealants
Mirrors
Overdrive
Overhaul Kits
Axle Overhaul Kits
Brake Overhaul Kits
Complete Body Tubs and Kits
Electrical Overhaul Kits
Engine Overhaul Kits
Suspension Overhaul Kits
Transfer Case Overhaul Kits
Transmission Overhaul Kits
Weatherseal Kits
Paint
Civilian Paint
Military Paint
Seats
72-86 CJ Seat Frames
Covers & Cushions
Misc Seat Parts
Seat Frames
Steering
Bellcranks & Parts
Drag Link Repair
Power Steering
Steering Gear Box Repair
Steering Wheels & Parts
Tie Rods & Steering Knuckle
Soft Tops & Parts
BikiniTops
SuperTops
TigerTops
Top Parts and Brackets
Suspension
Control Arm Repair
Leaf Spring Assemblies
Lift Kits
Overhaul Kits
Pivot Eye Bolts & Bushings
Shackles & Parts
Shocks
U-Bolts & Shock Plates
Tires & Rims
Rims & Hub Caps
Spare Tire Carriers
Tires
Tools
Transfer Case
Bearings & Shims
Gaskets & Oil Seals
Gears & Small Parts
Overhaul Kits
Shifter Boots & Mounts
Transmission
Overhaul Kits
T-84 Transmission
T-90 Transmission
T-96 Transmission
T86 Transmission
P.T.O.
T4 4 Speed Transmission
T5 5 Speed Transmission
T14 Transmission
T15 3 Speed Transmission
T18 4 Speed Transmission
SR4 4 Speed Transmission
T176/T177 4 Speed Transmission
T-70 Transmission
T150 3 Speed Transmission
T85 Transmission
T89 Transmission
Weatherseals
Draft Seal Kits
Fuzzy Channel Kits
Hood & Grille
Misc Seals & Gaskets
Rear Cab
Side Window & Door
Tailgate / Liftgate / Hardtop
Weatherseal Kits
Wind Wing
Windshield
Wipers & Parts
Arms & Blades
Electric Conversion Kits
Linkage & Cables
Original Vacuum
Wiper Accessories
Refine by
No filters applied
Filters
Price
Update
Dana 25/27 Front Axle
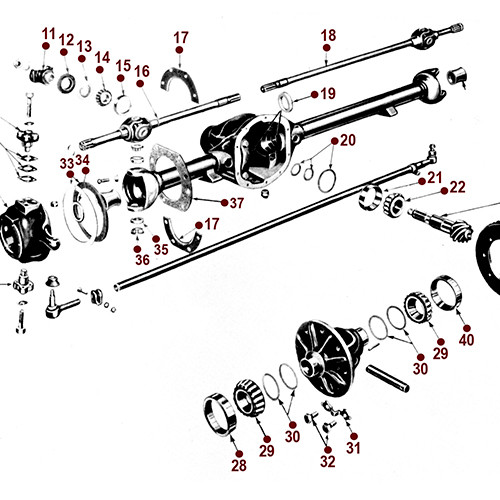
Dana 41 Rear Axle - View 1
Dana 41 Rear Axle - View 2
Front Axle - Differential and Gears
Front Axle - Steering Knuckle & Wheel Bearings
Front Axle - Wheel Connecting Parts
Front Axle Assembly - View 2
Rear Axle - Full Floating
Rzeppa Front Axle - CJ-2A
OK
GET PARTS CATALOG
GET YOURS NOW
purchase GIFT CARDS
BUY NOW
sponsor your club
Get sponsored
Request Catalog
THANK YOU!
Your catalog request has been submitted successfully.
Please note:
If your catalog does not arrive within 7-10 business days, call us Toll-Free at (888) 648-4923.
Contact Form
THANK YOU!
Your contact form request has been submitted successfully.