Toggle menu
Select Currency: USD
US Dollars
Euro
Afghan Afghani
United Arab Emirates Dirham
Albanian Lek
Armenian Dram
Netherlands Antillean Guilder
Angolan Kwanza
Argentine Peso
Australian Dollar
Aruban Florin
Azerbaijani Manat
Bosnia-Herzegovina Convertible Mark
Barbadian Dollar
Bangladeshi Taka
Bulgarian Lev
Bahraini Dinar
Bermudan Dollar
Brunei Dollar
Bolivian Boliviano
Brazilian Real
Bahamian Dollar
Bhutanese Ngultrum
Botswanan Pula
Belarusian Ruble
Belize Dollar
Canadian Dollar
Congolese Franc
Swiss Franc
Chilean Peso
Chinese Yuan
Colombian Peso
Costa Rican Colón
Czech Republic Koruna
Djiboutian Franc
Danish Krone
Dominican Peso
Algerian Dinar
Egyptian Pound
Ethiopian Birr
Fijian Dollar
British Pound
Georgian Lari
Ghanaian Cedi
Gibraltar Pound
Gambian Dalasi
Guinean Franc
Guatemalan Quetzal
Guyanaese Dollar
Compare
Search
Sign in
or
Register
Cart
Search
Kaiser Willys Auto Supply
Search
12948
Diagrams
All Diagrams
41-45 GPW Diagrams
Axle Diagrams - GPW
Body Diagrams - GPW
Brake Diagrams - GPW
Canvas - GPW
Clutch Diagrams - GPW
Cooling Diagrams - GPW
Driveshaft Diagrams - GPW
Electrical Diagrams - GPW
Engine Diagrams - GPW
Fuel and Exhaust Diagrams - GPW
Steering Diagrams - GPW
Suspension Diagrams - GPW
Transfer Case Diagrams - GPW
Transmission Diagrams - GPW
41-45 MB Diagrams
Axle Diagrams - MB
Body Diagrams - MB
Brake Diagrams - MB
Canvas - MB
Clutch Diagrams - MB
Cooling Diagrams - MB
Driftshaft Diagrams - MB
Electrical Diagrams - MB
Engine Diagrams - MB
Fuel and Exhaust Diagrams - MB
Steering Diagrams - MB
Suspension Diagrams - MB
Transfer Case Diagrams - MB
Transmission Diagrams - MB
46-49 CJ-2A Diagrams
Axle Diagrams - Willys CJ-2A
Body Diagrams - Willys CJ-2A
Brake Diagrams - Willys CJ-2A
Canvas - CJ-2A
Clutch Diagrams - Willys CJ-2A
Cooling Diagrams - Willys CJ-2A
Driveshaft Diagrams - Willys CJ-2A
Electrical Diagrams - Willys CJ-2A
Engine Diagrams - Willys CJ-2A
Fuel & Exhaust Diagrams - Willys CJ-2A
Steering Diagrams - Willys CJ-2A
Suspension Diagrams - Willys CJ-2A
Transfer Case Diagrams - Willys CJ-2A
Transmission Diagrams - Willys CJ-2A
49-53 CJ-3A Diagrams
Axle Diagrams - Willys CJ-3A
Body Diagrams - Willys CJ-3A
Brake Diagrams - Willys CJ-3A
Canvas - CJ-3A
Clutch Diagrams - Willys CJ-3A
Cooling Diagrams - Willys CJ-3A
Driveshaft Diagrams - Willys CJ-3A
Electrical Diagrams - Willys CJ-3A
Engine Diagrams - Willys CJ-3A
Fuel & Exhaust Diagrams - Willys CJ-3A
Steering Diagrams - Willys CJ-3A
Suspension Diagrams - Willys CJ-3A
Transfer Case Diagrams - Willys CJ-3A
Transmission Diagrams - Willys CJ-3A
53-64 CJ-3B Diagrams
Axle Diagrams - Willys CJ-3B
Body Diagrams - Willys CJ-3B
Brake Diagrams - Willys CJ-3B
Canvas - CJ-3B
Clutch Diagrams - Willys CJ-3B
Cooling Diagrams - Willys CJ-3B
Driveshaft Diagrams - CJ-3B
Electrical Diagrams - Willys CJ-3B
Engine Diagrams - Willys CJ-3B
Fuel & Exhaust Diagrams - Willys CJ-3B
Steering Diagrams - Willys CJ-3B
Suspension Diagrams - Willys CJ-3B
Transfer Case Diagrams - Willys CJ-3B
Transmission Diagrams - Willys CJ-3B
55-75 CJ-5 Diagrams
Axle Diagrams - Willys CJ-5, 6
Body Diagrams - Willys CJ-5, 6
Brake Diagrams - Willys CJ-5, 6
Clutch Diagrams - Willys CJ-5, 6
Cooling Diagrams - Willys CJ-5
Driveshaft Diagrams - Willys CJ-5
Electrical Diagrams - Willys CJ-5, 6
Engine Diagrams - Willys CJ-5, 6
Fuel & Exhaust Diagrams - Willys CJ-5, 6
Steering Diagrams - Willys CJ-5, 6
Suspension Diagrams - Willys CJ-5, 6
Transfer Case Diagrams - Willys CJ-5, 6
Transmission Diagrams - Willys CJ-5, 6
50-52 M38 Diagrams
Axle Diagrams - Willys M38
Body Diagrams - Willys M38
Brake Diagrams - Willys M38
Canvas - M38
Clutch Diagrams - Willys M38
Cooling Diagrams - Willys M38
Driveshaft Diagrams - Willys M38
Electrical Diagrams - Willys M38
Engine Diagrams - Willys M38
Fuel & Exhaust Diagrams - Willys M38
Steering Diagrams - Willys M38
Suspension Diagrams - Willys M38
Transfer Case Diagrams - Willys M38
Transmission Diagrams - Willys M38
52-71 M38A1 Diagrams
Axle Diagrams - Willys M38A1
Body Diagrams - Willys M38A1
Brake Diagrams - Willys M38A1
Canvas - M38A1
Clutch Diagrams - Willys M38A1
Cooling Diagrams - Willys M38A1
Driveshaft Diagrams - Willys M38A1
Electrical Diagrams - Willys M38A1
Engine Diagrams - Willys M38A1
Fuel & Exhaust Diagrams - Willys M38A1
Steering Diagrams - Willys M38A1
Suspension Diagrams - Willys M38A1
Transfer Case Diagrams - Willys M38A1
Transmission Diagrams - Willys M38A1
46-64 Truck Diagrams
Axle Diagrams - Willys Truck
Body Diagrams - Willys Truck
Brake Diagrams - Willys Truck
Clutch Diagrams - Willys Truck
Cooling Diagrams - Willys Truck
Driveshaft Diagrams - Willys Truck
Electrical Diagrams - Willys Truck
Engine Diagrams - Willys Truck
Fuel & Exhaust Diagrams - Willys Truck
Steering Diagrams - Willys Truck
Suspension Diagrams - Willys Truck
Transfer Case Diagrams - Willys Truck
Transmission Diagrams - Willys Truck
46-64 Wagon Diagrams
Axle Diagrams - Willys Wagon
Body Diagrams - Willys Wagon
Brake Diagrams - Willys Wagon
Clutch Diagrams - Willys Wagon
Cooling Diagams - Willys Wagon
Driveshaft Diagrams - Willys Wagon
Electrical Diagrams - Willys Wagon
Engine Diagrams - Willys Wagon
Fuel & Exhaust Diagrams - Willys Wagon
Steering Diagrams - Willys Wagon
Suspension Diagrams - Willys Wagon
Transfer Case Diagrams - Willys Wagon
Transmission Diagrams - Willys Wagon
48-51 Jeepster Diagrams
Axle Diagrams - Jeepster
Body Diagrams - Jeepster
Brake Diagrams - Jeepster
Clutch Diagrams - Jeepster
Cooling Diagrams - Jeepster
Electrical Diagrams - Jeepster
Engine Diagrams - Jeepster
Fuel & Exhaust Diagrams - Jeepster
Steering Diagrams - Jeepster
Suspension Diagrams - Jeepster
Transmission Diagrams - Jeepster
Gaskets
Shop by Category
All Shop by Category
Featured Videos
New & Featured
US MADE & NOS
Axle
Front Axle
Rear Axle
Battery
Body
Door Repair
Exterior Accessories & Parts
Fender
Frame Repair
Grille
Hood
Interior Accessories & Parts
Repair Panels
Step Kits
Tailgate
Tool Bin & Parts
Trailer & Pickup Bed Parts
Tubs & Kits
Windshield Frame
Brakes
Adjusting Hardware
Cables
Disc Conversion
Drums
Emergency Brakes
Fittings & Crush Washers
Flex Hoses
Hold Down Hardware
Hub Puller
Hubs
Linkage
Master Cylinders & Parts
Overhaul Kits
Preformed Steel Lines
Return Springs
Shoes
Wheel Cylinders
72-86 CJ Disc Brakes & Parts
Bumpers, Crossmembers & Parts
Front Bumper Accessories
Front Bumpers & Gussets
Rear Bumper & Crossmembers
Rear Bumper Accessories
Canvas
Bestop Tops
Canvas Accessories
Canvas Summer Top
Seat Covers & Cushions
Top Bow Brackets, Straps & Kits
Clutch
Bearings & Carriers
Bellcrank & Linkage Parts
Cables
Forks
Friction Discs
Master Clutch Kits
Pilot Bushings
Pressure Plates
Cooling
Air Duct
Fan Belts
Fan Blade
Radiators & Hoses
Thermostats & Parts
Water Pumps
Decals, Stencils & Data Plates
Data Plates
Decals
Stencils
Driveshaft
Driveshaft Assemblies
Joints & Yokes
Electrical
Alternator
Bulbs
Cables & Straps
Dash Light Assemblies
Distributors
Generators
Headlights & Parts
Horn Repair Parts
Ignition Coils
Parking Light Assemblies & Parts
Side Marker & Parts
Spark Plugs & Cable Sets
Starter Motors & Parts
Switches, Relays & Solenoids
Tail Light Assemblies & Parts
Tune-Up Kits
Turn Signal
Voltage Regulators
Wiring Harnesses
Engine
Bearings
Camshafts & Parts
Complete Overhaul Kits
Connecting Rods & Hardware
Crankshafts & Parts
Flywheels, Ring Gears & Parts
Gasket Sets & Oil Seals
Insulators & Motor Mounts
Oil Hoses, Filters & Parts
Oil Pumps
Pistons & Ring Sets
Stud Kits
Timing
Valve Train
Exhaust
Complete Exhaust Systems
Manifolds & Parts
Mufflers
Pipes and Parts
Fuel
Accelerator Pedals & Parts
Air Cleaner Assemblies & Parts
Cables & Hoses
Carburetors & Kits
Fuel Pumps & Filters
Gas Caps & Parts
Jerry Can
Preformed Steel Lines
Rubber Items
Sending Units
Tanks
Gauges & Parts
Amp Gauges
Fuel Gauges & Sending Units
Oil Gauges
Speedometers & Parts
Temperature Gauges
Gift Certificates
Gift Ideas
Apparel
Artwork
Gifts
Jeep & Willys License Plates
Neons, Clocks & Wall Signs
Specialty Books
Glass
Hardware Kits
Axle
Body
Brakes
Electrical
Engine
Interior
Steering
Suspension
Transfer Case
Transmission
Heater
Interior
Carpeting, Headliner & Misc
Center Consoles
Door Handles, Hinges & Accessories
Floor Mats
Glove Box
Interior Accessories
Interior Chrome Parts
Literature
Master Parts Listings
Mechanics Manuals
Owners Manuals
Vintage Ads & Specialty Books
Lubricants & Sealants
Mirrors
Overdrive
Overhaul Kits
Axle Overhaul Kits
Brake Overhaul Kits
Complete Body Tubs and Kits
Electrical Overhaul Kits
Engine Overhaul Kits
Suspension Overhaul Kits
Transfer Case Overhaul Kits
Transmission Overhaul Kits
Weatherseal Kits
Paint
Civilian Paint
Military Paint
Seats
72-86 CJ Seat Frames
Covers & Cushions
Misc Seat Parts
Seat Frames
Steering
Bellcranks & Parts
Drag Link Repair
Power Steering
Steering Gear Box Repair
Steering Wheels & Parts
Tie Rods & Steering Knuckle
Soft Tops & Parts
BikiniTops
SuperTops
TigerTops
Top Parts and Brackets
Suspension
Control Arm Repair
Leaf Spring Assemblies
Lift Kits
Overhaul Kits
Pivot Eye Bolts & Bushings
Shackles & Parts
Shocks
U-Bolts & Shock Plates
Tires & Rims
Rims & Hub Caps
Spare Tire Carriers
Tires
Tools
Transfer Case
Bearings & Shims
Gaskets & Oil Seals
Gears & Small Parts
Overhaul Kits
Shifter Boots & Mounts
Transmission
Overhaul Kits
T-84 Transmission
T-90 Transmission
T-96 Transmission
T86 Transmission
P.T.O.
T4 4 Speed Transmission
T5 5 Speed Transmission
T14 Transmission
T15 3 Speed Transmission
T18 4 Speed Transmission
SR4 4 Speed Transmission
T176/T177 4 Speed Transmission
T-70 Transmission
T150 3 Speed Transmission
T85 Transmission
T89 Transmission
Weatherseals
Draft Seal Kits
Fuzzy Channel Kits
Hood & Grille
Misc Seals & Gaskets
Rear Cab
Side Window & Door
Tailgate / Liftgate / Hardtop
Weatherseal Kits
Wind Wing
Windshield
Wipers & Parts
Arms & Blades
Electric Conversion Kits
Linkage & Cables
Original Vacuum
Wiper Accessories
Shop All
All Shop All
Black Friday Deals
Gift Ideas
Test-SC-3339
Shop by Vehicle
All Shop by Vehicle
41-45 GPW
66-73 Jeepster Commando
41-45 MB
46-49 CJ-2A
46-64 Station Wagon
46-64 Truck
48-51 Jeepster
49-53 CJ-3A
50-52 M38
52-71 M38A1
53-64 CJ-3B
55-75 CJ-5
55-75 CJ-6
57-64 FC-150
57-64 FC-170
76-83 CJ-5
76-86 CJ-7
81-85 CJ-8
63-91 Wagoneer/J-Series
Shipping & Returns
Contact Us
Blog
Select Currency: USD
US Dollars
Euro
Afghan Afghani
United Arab Emirates Dirham
Albanian Lek
Armenian Dram
Netherlands Antillean Guilder
Angolan Kwanza
Argentine Peso
Australian Dollar
Aruban Florin
Azerbaijani Manat
Bosnia-Herzegovina Convertible Mark
Barbadian Dollar
Bangladeshi Taka
Bulgarian Lev
Bahraini Dinar
Bermudan Dollar
Brunei Dollar
Bolivian Boliviano
Brazilian Real
Bahamian Dollar
Bhutanese Ngultrum
Botswanan Pula
Belarusian Ruble
Belize Dollar
Canadian Dollar
Congolese Franc
Swiss Franc
Chilean Peso
Chinese Yuan
Colombian Peso
Costa Rican Colón
Czech Republic Koruna
Djiboutian Franc
Danish Krone
Dominican Peso
Algerian Dinar
Egyptian Pound
Ethiopian Birr
Fijian Dollar
British Pound
Georgian Lari
Ghanaian Cedi
Gibraltar Pound
Gambian Dalasi
Guinean Franc
Guatemalan Quetzal
Guyanaese Dollar
Sign in
or
Register
Home
Diagrams
55-75 CJ-5 Diagrams
Transmission Diagrams - Willys CJ-5, 6
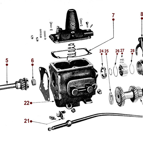
T-90 Transmission
T-90 Transmission
5026 , DIAG - 0000017f
\nDon't see the parts you need? Browse our complete
Transmission
category for more available parts.
There are no products listed under this category.
×
OK